Basic description:
- main supporting steel structure with a four-pointsuspension
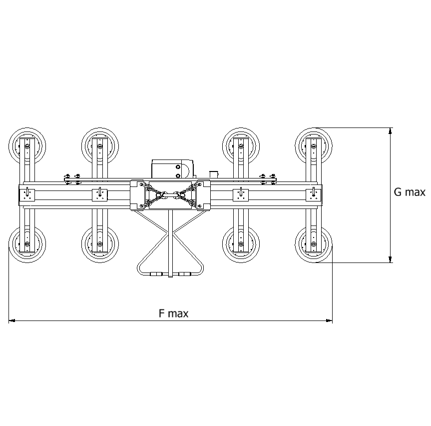
- cross beams manually adjustable in the "x" axis
- eight suction cups 400 mm in diameter
- suction cups manually adjustable in “y¨ axis
- vacuum pump – design (400V three phase system, or 230Vsingle phase system)
- vacuum tank ensures safe lifting of the load even incase of an unexpected power failure of the air pump
- acoustic and visual signalisation of insufficient vacuum in suction cups
- GRIP/ RELEASE the load through a manual valve conveniently located on the VM control handle
- double-acting control to suck off the loadmechanically (electromagnetically using a spiral-button control - for asurcharge)
- spiral cable for connecting the handler up to 3 m
- quick-clamping system of electrical connection via a connector













